Kontakt: 031 593 01401/ 511 34 44(Pon. - Pet. 8:00 - 16:00)

image

Št. artikla: 609.106

Opis izdelka:

Konstrukcija:
Korpus iz oblikovanih ploščatih jeklenih profilov,debeline 10 mm in okroglim varjenim jeklenim obročem.
Z zaščitno streho in brez pepelnika.
Dobava vključno z notranjo posodo in držalom za vrečo.
Površina / barva:
Jekleni deli vroče cinkani in prašno barvani v standardnih RAL barvah.
Pritrjevanje:
S sidrnimi vijaki na primeren tlak  lia temelj.
Vzdrževanje / praznjenje:
Brez zaklepa. Z verigo zavarovano držalo za vreče, za praznjenje je potrebno odstraniti posodo.

Slike izdelka

Artikel št. 609.106

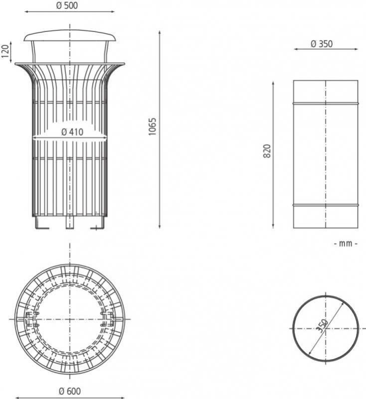
Tehnični podatki

volumen koša za odpadke 90 litrov
izvedba z zaščitno strehico
pepelnik brez
premer odprtine 600 mm
premer korpousa 410 mm
skupna višina 1065 mm
površina jeklo vroče cinkano in prašno barvano
teža 25 kg